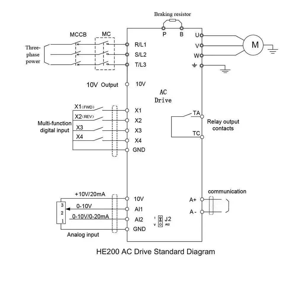
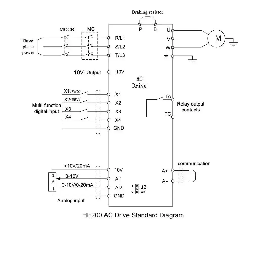
Характеристики
Отзывы
Характеристики
Бренд
Частотные преобразователи
Отзывы
Отзывов еще никто не оставлял
